簡單解釋一下MOS場效應管的工作原理。


MOS 場效應管也被稱為MOSFET, 既Metal Oxide Semiconductor Field Effect Transistor(金屬氧化物半導體場效應管)的縮寫。它普通有耗盡型和加強型兩種。本文運用的為加強型MOS 場效應管,其內部構造見圖5。它可分為NPN型PNP型。NPN型通常稱為N溝道型,PNP型也叫P溝道型。由圖可看出,關于N溝道的場效應管其源極和漏極接在N型半導體上,同樣關于P溝道的場效應管其源極和漏極則接在P型半導體上。我們曉得普通三極管是由輸入的電流控制輸出的電流。但關于場效應管,其輸出電流是由輸入的電壓(或稱電場)控制,能夠以為輸入電流極小或沒有輸入電流,這使得該器件有很高的輸入阻抗,同時這也是我們稱之為場效應管的緣由。


為解釋MOS 場效應管的工作原理,我們先理解一下僅含有一個P—N結的二極管的工作過程。如圖6所示,我們曉得在二極管加上正向電壓(P端接正極,N端接負極)時,二極管導通,其PN結有電流經過。這是由于在P型半導體端為正電壓時,N型半導體內的負電子被吸收而涌向加有正電壓的P型半導體端,而P型半導體端內的正電子則朝N型半導體端運動,從而構成導通電流。同理,當二極管加上反向電壓(P端接負極,N端接正極)時,這時在P型半導體端為負電壓,正電子被匯集在P型半導體端,負電子則匯集在N型半導體端,電子不挪動,其PN結沒有電流經過,二極管截止。


關于場效應管(見圖7),在柵極沒有電壓時,由前面剖析可知,在源極與漏極之間不會有電流流過,此時場效應管處與截止狀態(圖7a)。當有一個正電壓加在N溝道的MOS 場效應管柵極上時,由于電場的作用,此時N型半導體的源極和漏極的負電子被吸收出來而涌向柵極,但由于氧化膜的阻撓,使得電子匯集在兩個N溝道之間的P型半導體中(見圖7b),從而構成電流,使源極和漏極之間導通。我們也能夠想像為兩個N型半導體之間為一條溝,柵極電壓的樹立相當于為它們之間搭了一座橋梁,該橋的大小由柵壓的大小決議。圖8給出了P溝道的MOS 場效應管的工作過程,其工作原理相似這里不再反復。


下面簡述一下用C-MOS場效應管(加強型MOS 場效應管)組成的應用電路的工作過程(見圖9)。電路將一個加強型P溝道MOS場效應管和一個加強型N溝道MOS場效應管組合在一同運用。當輸入端為低電平常,P溝道MOS場效應管導通,輸出端與電源正極接通。當輸入端為高電平常,N溝道MOS場效應管導通,輸出端與電源地接通。在該電路中,P溝道MOS場效應管和N溝道MOS場效應管總是在相反的狀態下工作,其相位輸入端和輸出端相反。經過這種工作方式我們能夠取得較大的電流輸出。同時由于漏電流的影響,使得柵壓在還沒有到0V,通常在柵極電壓小于1到2V時,MOS場效應管既被關斷。不同場效應管其關斷電壓略有不同。也正由于如此,
使得該電路不會由于兩管同時導通而形成電源短路。


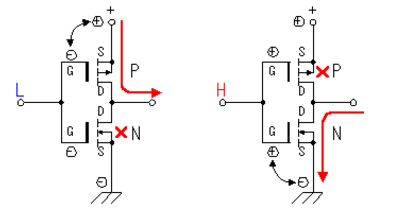
由以上剖析我們能夠畫出原理圖中MOS場效應管電路局部的工作過程。
烜芯微專業制造二三極管,MOS管,20年,工廠直銷省20%,1500家電路電器生產企業選用,專業的工程師幫您穩定好每一批產品,如果您有遇到什么需要幫助解決的,可以點擊右邊的工程師,或者點擊銷售經理給您精準的報價以及產品介紹
烜芯微專業制造二三極管,MOS管,20年,工廠直銷省20%,1500家電路電器生產企業選用,專業的工程師幫您穩定好每一批產品,如果您有遇到什么需要幫助解決的,可以點擊右邊的工程師,或者點擊銷售經理給您精準的報價以及產品介紹

