本文將介紹功率MOSFET(場效應管)的結構、工作原理及基本工作電路。
什么是MOSFET(場效應管)
“MOSFET(場效應管)”是英文MetalOxide Semicoductor Field Effect Transistor的縮寫,譯成中文是“金屬氧化物半導體場效應管”。它是由金屬、氧化物(SiO2或SiN)及半導體三種材料制成的器件。所謂功率MOSFET(場效應管)(Power MOSFET(場效應管))是指它能輸出較大的工作電流(幾安到幾十安),用于功率輸出級的器件。
MOSFET(場效應管)的結構
圖1是典型平面N溝道增強型MOSFET(場效應管) 的剖面圖。它用一塊P型硅半導體材料作襯底(圖la),在其面上擴散了兩個N型區(圖lb),再在上面覆蓋一層二氧化硅(SiQ2)絕緣層(圖lc),最 后在N區上方用腐蝕的方法做成兩個孔,用金屬化的方法分別在絕緣層上及兩個孔內做成三個電極:G(柵極)、S(源極)及D(漏極),如圖1d所示。


從圖1中可以看出柵極G與漏極D及源極S是絕緣的,D與S之間有兩個PN結。一般情況下,襯底與源極在內部連接在一起。
圖1是N溝道增強型MOSFET(場效應管)的基本結構圖。為了改善某些參數的特性,如提高工作電流、提高工作電壓、降低導通電阻、提高開關特性等有 不同的結構及工藝,構成所謂VMOS、DMOS、TMOS等結構。圖2是一種N溝道增強型功率MOSFET(場效應管)的結構圖。雖然有不同的結構,但其 工作原理是相同的,這里就不一一介紹了。
MOSFET(場效應管)的工作原理
要使增強型N溝道MOSFET(場效應管)工作,要在G、S之間加正電壓VGS及在D、S之間加正電壓VDS,則產生正向工作電流ID。改變VGS的電壓可控制工作電流ID。如圖3所示(上面↑)。
若先不接VGS(即VGS=0),在D與S極之間加一正電壓VDS,漏極D與襯底之間的PN結處于反向,因此漏源之間不能導電。如果在柵極G與源極S之間加一電壓VGS。此時可以將柵極與襯底看作電容器的兩個極板,而氧化物絕緣層作為電容器的介質。當加上VGS時,在絕緣層和柵極界面上感應出正電荷,而在絕緣層和P型襯底界面上感應出負電荷(如圖3)。這層感應的負電荷和P型襯底中的多數載流子(空穴)的極性相反,所以稱為“反型層”,這反型層有可能將漏與源的兩N型區連接起來形成導電溝道。當VGS電壓太低時,感應出來的負電荷較少,它將被P型襯底中的空穴中和,因此在這種情況時,漏源之間仍然無電流ID。當VGS增加到一定值時,其感應的負電荷把兩個分離的N區溝通形成N溝道,這個臨界電壓稱為開啟電壓(或稱閾值電壓、門限電壓),用符號VT表示(一般規定在ID=10uA時的VGS作為VT)。當VGS繼續增大,負電荷增加,導電溝道擴大,電阻降低,ID也隨之增加,并且呈較好線性關系,如圖4所示。此曲線稱為轉換特性。因此在一定范圍內可以認為,改變VGS來控制漏源之間的電阻,達到控制ID的作用。


由于這種結構在VGS=0時,ID=0,稱這種MOSFET(場效應管)為增強型。另一類MOSFET(場效應管),在VGS=0時也有一定的ID(稱為IDSS),這種MOSFET(場效應管)稱為耗盡型。它的結構如圖5所示,它的轉移特性如圖6所示。VP為夾斷電壓(ID=0)。
耗盡型與增強型主要區別是在制造SiO2絕緣層中有大量的正離子,使在P型襯底的界面上感應出較多的負電荷,即在兩個N型區中間的P型硅內形成一N型硅薄層而形成一導電溝道,所以在VGS=0時,有VDS作用時也有一定的ID(IDSS);當VGS有電壓時(可以是正電壓或負電壓),改變感應的負電荷數量,從而改變ID的大小。VP為ID=0時的-VGS,稱為夾斷電壓。
除了上述采用P型硅作襯底形成N型導電溝道的N溝道MOSFET(場效應管)外,也可用N型硅作襯底形成P型導電溝道的P溝道MOSFET(場效應管)。這樣,MOSFET(場效應管)的分類如圖7所示。


耗盡型:N溝道(圖7a);P溝道(圖c);
增強型:N溝道(圖b);P溝道(圖d)。


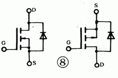
為防止MOSFET(場效應管)接電感負載時,在截止瞬間產生感應電壓與電源電壓之和擊穿MOSFET(場效應管),一般功率MOSFET(場效應管)在漏極與源極之間內接一個快速恢復二極管,如圖8所示。
功率MOSFET(場效應管)的特點
功率MOSFET(場效應管)與雙極型功率相比具有如下特點:
MOSFET(場效應管)是電壓控制型器件(雙極型是電流控制型器件),因此在驅動大電流時無需推動級,電路較簡單;
輸入阻抗高,可達108Ω以上;
工作頻率范圍寬,開關速度高(開關時間為幾十納秒到幾百納秒),開關損耗小;
有較優良的線性區,并且MOSFET(場效應管)的輸入電容比雙極型的輸入電容小得多,所以它的交流輸入阻抗極高;噪聲也小,最合適制作Hi-Fi音響;
功率MOSFET(場效應管)可以多個并聯使用,增加輸出電流而無需均流電阻。
功率MOSFET(場效應管)典型應用電路


1.電池反接保護電路
電池反接保護電路如圖9所示。一般防止電池接反損壞電路采用串接二極管的方法,在電池接反時,PN結反接無電壓降,但在正常工 作時有0.6~0.7V的管壓降。采用導通電阻低的增強型N溝道MOSFET(場效應管)具有極小的管壓降(RDS(ON)×ID),如Si9410DY的RDS(ON)約為0.04Ω,則在lA時約為0.04V。這時要注意在電池正確安裝時,ID并非完全通過管內的二極管,而是在VGS≥5V時,N導電溝道暢通(它相當于一個極小的電阻)而大部分電流是從S流向D的(ID為負)。而當電池裝反時,MOSFET(場效應管)不通,電路得以保護。
2.觸摸調光電路
一種簡單的觸摸調光電路如圖10。當手指觸摸上觸頭時,電容經手指電阻及100k充電,VGS漸增大,燈漸亮;當觸摸下觸頭時,電容經100k及手指電阻放電,燈漸暗到滅。
3.甲類功率放大電路
由R1、R2建立VGS靜態工作點(此時有一定的ID流過)。當音頻信號經過C1耦合到柵極,使產生-△VGS,則產生較大的△ID,經輸出變壓器阻抗匹配,使4~8Ω喇叭輸出較大的聲功率。圖ll中Dw為9V穩壓二極管,是保護G、S極以免輸入過高電壓而擊穿。從圖中也可以看出,偏置電阻的數值較大,因為柵極輸入阻抗極高,并且無柵流。
烜芯微專業制造二極管,三極管,MOS管,橋堆等20年,工廠直銷省20%,4000家電路電器生產企業選用,專業的工程師幫您穩定好每一批產品,如果您有遇到什么需要幫助解決的,可以點擊右邊的工程師,或者點擊銷售經理給您精準的報價以及產品介紹
烜芯微專業制造二極管,三極管,MOS管,橋堆等20年,工廠直銷省20%,4000家電路電器生產企業選用,專業的工程師幫您穩定好每一批產品,如果您有遇到什么需要幫助解決的,可以點擊右邊的工程師,或者點擊銷售經理給您精準的報價以及產品介紹

