二極管的恒壓降模型在實踐中使用是比較廣泛的。


恒壓降模型
它對二極管伏安特性在一定程度上進行了合理的近似建模。
該模型中,使用一個理想二極管模型和直流電源串聯實現。理想二極管的單向導電決定了,恒壓降模型也是單向導電。在外加正向電壓時,只有大于0.7V(硅管)才會產生正向導通電流。
判斷二極管導通狀態
如何判斷電路中的二極管是否導通,其實靠的是試驗法。
先將電路中的二極管拿掉,計算原位置處兩端正向電壓;如果大于0.7v,那么把二極管再放回原位置的話,二極管必然是導通的。
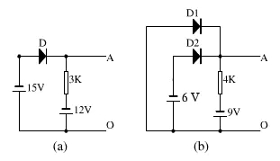
舉例:


(a)圖中,拿掉二極管D可知,D陽極電位為-15v,陰極電位為-12v,D正向電壓為-3v,故D不導通,AO兩端電壓為-12V。
(b)圖,同時拿掉D1,D2。
得到D1原位置處兩端電壓為0-(-9)=9v
得到D2原位置處兩端電壓為-6-(-9)=3v
兩個二極管都導通嗎?不一定!由于二極管導通后會導致電路中各點電位重新分配,所以將二極管接回原電路的時候要一個一個來。
D1兩端壓差有9V,比D2的壓差要高。我們就先將D1接回原電路,此時,A點電位是-0.7v,重新計算D2處兩端壓差為-6-(-0.7)=-5.3v??吹搅税?,此時如果將D2接回電路是不導通的。
判斷輸出電壓波形


像這種題目,其實就判斷電路中,與Uo并聯的兩個二極管支路什么時候導通、截止。因為,二極管的導通變化會影響輸出電壓變化。
根據排列組合算法,總共有4種組合狀態:
組合 D1支路 D2 支路
1 導通 截止
2 截止 導通
3 導通 導通
4 截止 截止
分析如下:
1、D1在ui大于3.7v時導通,D2截止,此時uo=3.7v。
2、D2在ui小于-3.7v導通,D1截止,此時uo=-3.7。
3、D1D2同時導通的情況不存在。
4、D1D2在-3.7
烜芯微專業制造二極管,三極管,MOS管,橋堆等20年,工廠直銷省20%,4000家電路電器生產企業選用,專業的工程師幫您穩定好每一批產品,如果您有遇到什么需要幫助解決的,可以點擊右邊的工程師,或者點擊銷售經理給您精準的報價以及產品介紹
烜芯微專業制造二極管,三極管,MOS管,橋堆等20年,工廠直銷省20%,4000家電路電器生產企業選用,專業的工程師幫您穩定好每一批產品,如果您有遇到什么需要幫助解決的,可以點擊右邊的工程師,或者點擊銷售經理給您精準的報價以及產品介紹

