在設計 ADC 電路時,一個常見的問題是“如何在過壓條件下保護 ADC 輸入”,那么
在過壓情形中可能出現哪些問題呢?
發生的頻率又是怎樣的呢?
有木有潛在的補救措施呢?
針對上述問題,讓我們進行一次深入分析吧!
ADC 輸入的過驅一般發生于驅動放大器電軌遠遠大于 ADC 最大輸入范圍時,例如,放大器采用±15 V 供電,而 ADC 輸入為 0 至 5V。高壓電軌用于接受±10 V 輸入,同時給 ADC 前端信號調理 / 驅動級供電,這在工業設計中很常見,PLC 模塊就是這種情況。如果在驅動放大器電軌上發生故障狀況,則可因超過最大額定值而損壞 ADC,或在多 ADC 系統中干擾同步 / 后續轉換。
這里討論的重點雖然是如何保護精密 SAR ADC,如 AD798x 系列,但是,這些保護措施同樣適用于其他 ADC 類型哦~
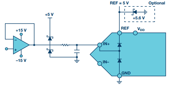
試考慮圖 1 中的情形。


圖 1. 精密 ADC 設計的典型電路圖
上圖電路代表 AD798X(例如 AD7980)系列 PulSAR® ADC 中的情形。輸入端、基準電壓源和接地之間存在保護二極管。這些二極管能夠處理最高 130mA 的大電流,但僅能持續數毫秒,不適用于較長時間或重復過壓。在一些產品上,例如 AD768X/AD769x(如 AD7685、AD7691)系列器件,保護二極管連接至 VDD 引腳而不是 REF。在這些器件上,VDD 電壓始終大于或等于 REF。一般而言,此配置更有效,因為 VDD 是更穩定的箝位電軌,對干擾不敏感。
圖 1 中,如果放大器趨向+15 V 電軌,則連接至 REF 的保護二極管將開啟,放大器將嘗試上拉 REF 節點。如果 REF 節點未通過強驅動器電路驅動,則 REF 節點(及輸入)的電壓將升至絕對最大額定電壓以上,一旦電壓在該過程中超過器件的擊穿電壓, ADC 可能受損。圖 3 舉例說明了 ADC 驅動器趨向 8 V 而使基準電壓 (5 V)過驅的情況。許多精密基準電壓源無灌電流能力,這在此情形中會造成問題?;蛘?,基準驅動電路非常強勁,足以將基準電壓保持在標稱值附近,但仍將偏離精確值。
在共用一個基準電壓源的同步采樣多 ADC 系統中,其他 ADC 上的轉換不精確,因為該系統依賴于高度精確的基準電壓。如果故障狀況恢復時間較長,后續轉換也可能不精確。
緩解此問題有幾種不同方法。最常見的是使用肖特基二極管(BAT54 系列),將放大器輸出鉗位在 ADC 范圍。相關說明詳見圖 2 和圖 3。如果適合應用需求,也可使用二極管將輸入箝位在放大器。


圖 2. 精密 ADC 設計的典型電路圖
(添加了肖特基二極管和齊納二極管保護)
在此情況中,之所以選擇肖特基二極管,是因為其具有低正向導通壓降,可在 ADC 內的內部保護二極管之前開啟。如果內部二極管部分開啟,肖特基二極管后的串聯電阻也有助于將電流限制在 ADC 內。對于額外保護,如果基準電壓源沒有 / 幾乎沒有灌電流能力,則可在基準節點上采用齊納二極管或箝位電路,以保證基準電壓不被過度拉高。在圖 2 中,為 5V 基準電壓源使 用了 5.6V 齊納二極管。


圖 3. 黃色 = ADC 輸入,
紫色 = 基準電壓源。
左側圖像未添加肖特基二極管,
右側圖像添加了肖特基二極管


圖 4. 黃色 = ADC 輸入,
綠色 = ADC 驅動器輸入,
紫色 = 基準電壓源(交流耦合)
左側圖像未添加肖特基二極管,
右側圖像添加了肖特基二極管(BAT54S)
圖 4 中的示例顯示了以正弦波使 ADC 輸入過驅時,給 ADC 輸入添加肖特基二極管后對基準輸入(5 V)的影響。肖特基二極管接地,5 V 系統電軌能夠吸電流。如果沒有肖特基二極管,當輸入超過基準電壓和地電壓一個壓降時,就會出現基準電壓源干擾。從圖中可看到,肖特基二極管完全消除了基準電壓源干擾。
需要注意肖特基二極管的反向漏電流,此電流在正常運行期間可引入失真和非線性。該反向漏電流受溫度影響很大,一般在二極管數據手冊中指定。BAT54 系列肖特基二極管是不錯的選擇(25°C 時最大值為 2μA,125°C 時約 100μA)。
完全消除過壓問題的一種方式是為放大器使用單電源電軌。這意味著,只要為基準電壓(最大輸入電壓)使用相同電源電平(本例中為 5V),驅動放大器就絕不會擺動至地電壓以下或最大輸入電壓以上。如果基準電路具有足夠的輸出電流和驅動強度,則可直接用來為放大器供電。圖 5 中顯示了另一種可能性,也就是使用略低的基準電壓值(例如,使用 5 V 電軌時為 4.096 V),從而顯著降低電壓過驅能力。


圖 5. 單電源精密 ADV 設計的典型電路圖
這些方法可解決輸入過驅的問題,但代價是 ADC 的輸入擺幅和范圍受限,因為放大器存在上裕量和下裕量要求。通常,軌到軌輸出放大器可在電軌十幾 mV 內,但也必須考慮輸入裕量要求,可能為 1 V 或更高,這會將擺幅進一步限制在緩沖器和單位增益配置內。該方法提供了最簡單的解決方案,因為不需要額外保護元件,但依賴正確的電源電壓,可能還需要軌到軌輸入 / 輸出(RRIO)放大器。
放大器與 ADC 輸入之間的 RC 濾波器中的串聯 R 也可用于在過壓狀況期間限制 ADC 輸入處的電流。不過,使用此方法時需要在限流能力與 ADC 性能做出取舍。較大的串聯 R 提供較佳的輸入保護,但會導致 ADC 性能出現較大失真。如果輸入信號帶寬較低,或者 ADC 不在滿吞吐速率下運行,這種取舍可行,因為此情況下串聯 R 可以接受。應用可接受的 R 大小可通過實驗方式確定。
如上文所述,保護 ADC 輸入沒有成法,但根據應用要求,可采用不同的單獨或組合方法,以相應的性能取舍提供所需的保護水平。
烜芯微專業制造二極管,三極管,MOS管,橋堆等20年,工廠直銷省20%,4000家電路電器生產企業選用,專業的工程師幫您穩定好每一批產品,如果您有遇到什么需要幫助解決的,可以點擊右邊的工程師,或者點擊銷售經理給您精準的報價以及產品介紹
烜芯微專業制造二極管,三極管,MOS管,橋堆等20年,工廠直銷省20%,4000家電路電器生產企業選用,專業的工程師幫您穩定好每一批產品,如果您有遇到什么需要幫助解決的,可以點擊右邊的工程師,或者點擊銷售經理給您精準的報價以及產品介紹

