NTC被稱為負溫度系數熱敏電阻,是由Mn-Co-Ni的氧化物充分混合后燒結而成的陶瓷材料制備而來,它在實現小型化的同時,還具有電阻值-溫度特性波動小、對各種溫度變化響應快的特點,可被用來做高靈敏度、高精度的溫度傳感器,在電子電路當中也經常被用作實時的溫度監控及溫度補償等。隨著本體的溫度升高,NTC的電阻阻值會呈非線性的下降,這個是NTC的特性。為了更好地利用該特點,在應用前我們需要清楚地了解NTC的基本參數,本文將對此做出討論,希望在實際的電路設計中對電子研發工程師有一些幫助。
電阻-溫度特性
NTC熱敏電阻的電阻-溫度特性曲線如下圖:


通常我們用以下幾個參數來定義該曲線:
R25:25℃時NTC本體的電阻值
B值:材料常數,是用來表示NTC在工作溫度范圍內阻值隨溫度變化幅度的參數,與材料的成分和燒結工藝有關。另外NTC的B值會受溫度變化的影響,因此通常我們會選取曲線上兩個溫度點來計算。表示B值時要把選取的溫度點標明,如B25/85。B值越大表明阻值隨溫度的升高降低得越快,B值越小則相反。如下圖:


ɑ值:所謂電阻溫度系數(α),是指在任意溫度下溫度變化1°C時的零負載電阻變化率。電阻溫度系數(α)與B值的關系,可用下式表示:


這里α前的負號(-),表示當溫度上升時零負載電阻降低。
以上三個參數是我們在選擇NTC時應該初步了解的參數,下面我們對其他參數也做一些介紹。
散熱系數
散熱系數(δ)是指在熱平衡狀態下,熱敏電阻元件通過自身發熱使其溫度上升1°C時所需的功率。
在熱平衡狀態下,熱敏電阻的溫度T1、環境溫度T2及消耗功率P之間關系如下式所示。


規格中的數值一般為25°C靜止空氣條件下測定的典型值。
最大功率
在額定環境溫度下,可連續負載運行的功率最大值,也稱“額定功率”。
通常是以25°C為額定環境溫度、由下式計算出的值。
額定功率=散熱系數×(最高使用溫度-25°C)
對應環境溫度變化的熱響應時間常數
指在零負載狀態下,當熱敏電阻的環境溫度發生急劇變化時,熱敏電阻元件產生最初溫度與最終溫度兩者溫度差的63.2%的溫度變化所需的時間。熱敏電阻的環境溫度從T1變為T2時,經過時間t與熱敏電阻的溫度T之間存在以下關系。


常數τ稱為熱響應時間常數。
上式中,若令t=τ時,則(T-T1)/(T2-T1)=0.632。
換言之,如上面的定義所述,熱敏電阻產生初始溫度差63.2%的溫度變化所需的時間即為熱響應時間常數。
經過時間與熱敏電阻溫度變化率的關系如下表所示。




通常為下列測定條件下的典型值。靜止空氣中環境溫度從25°C至85°C變化時,熱敏電阻的溫度變化至62.9°C所需時間。另外應注意,散熱系數、熱響應時間常數隨環境溫度、組裝條件而變化。
NTC的阻值公差及相應的溫度公差
NTC的阻值公差在不同溫度下是不一樣的,如下面的計算公式,不同溫度下阻值公差受常溫下阻值R25公差和B值公差影響。阻值的變化如下面的曲線所示:




當NTC用來做溫度檢測時,通常我們需要了解NTC可以支持的溫度公差,這樣我們就需要進行轉換,用阻值公差除以ɑ溫度系數,公式如下:


NTC的R-T表
NTC的R-T表是電子工程師在設計電路時必須要得到的信息,表格是通過公式計算出來的,所以溫度間隔可以自由設定,鑒于NTC檢測溫度的精度,通常溫度間隔設為1°C。例如下表:


NTC在電路中的應用
在深入了解了NTC的基本參數后,我們再來簡單看看如何在電路中使用NTC。
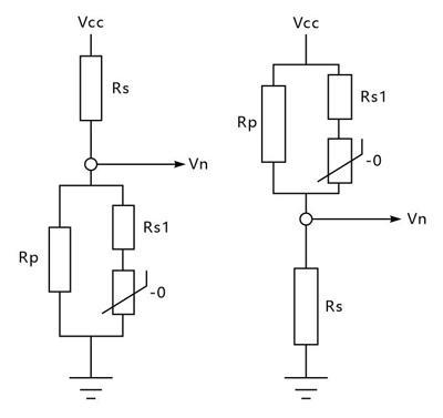
當NTC用來做溫度檢測,監控或者補償時,通常需要串聯一個電阻,阻值的選擇可根據需要重點檢測的溫度區域和流過的電流大小來決定,一般情況下會串聯一個和NTC常溫電阻值一樣的電阻,并且保證流過的電流要足夠小以免產生自熱,影響檢測精度。檢測到的信號是NTC電阻上的分壓,如果希望得到分壓與溫度的曲線更加線性,可以采用下面的電路。


通過調整Rs和Rp就可以獲得更加線性的曲線,如下圖:


NTC在使用中需要注意的事項如下
1.一定要加合適的串聯電阻,不然NTC使用的時候會發生熱崩潰,因為電流流過NTC會發熱,如果熱量不能及時耗散掉,NTC的溫度會升高,然后阻值下降,這時電流會顯著增加,NTC會變得更熱,這樣循環最終可能導致NTC被燒毀,甚至起火。
2.NTC的端部電極通常由Ag組成,在使用不當時會發生銀遷移,導致NTC短路。使用中要避免NTC接觸到水。
3.焊接時的高溫會造成NTC不可逆的阻值漂移,一些情況下可能會造成5%的漂移,所以盡量避免高溫焊接。
4.NTCSMD是由陶瓷構成,安裝時可能會造成斷裂,如下圖:


貼片NTC的結構及比較
貼片NTC是目前市場上最常用的NTC封裝方式,由于生產工藝不同,其主流產品的結構主要分為以下三種。
1.厚膜貼片型,結構如下:


用厚膜工藝+燒結而成。
2.疊層貼片型,結構如下:
先制備陶瓷薄片,然后疊加在一起,工藝與MLCC類似,帶有內部電極。
3.實心陶瓷貼片型,結構如下:


工藝十分古老,陶瓷燒結成磚型,然后做精密的機械切割,最后做電極。


下面我們把三種產品做一個簡單的性能比較,如下表:
厚膜工藝的貼片NTC是較新的工藝技術,但它在反應速度,長期的穩定性,可靠性方面的表現都優于其他結構的產品,另外在價格上也十分具有優勢,未來的應用中可能會成為主流的應用方案。
烜芯微專業制造二極管,三極管,MOS管,橋堆等20年,工廠直銷省20%,4000家電路電器生產企業選用,專業的工程師幫您穩定好每一批產品,如果您有遇到什么需要幫助解決的,可以點擊右邊的工程師,或者點擊銷售經理給您精準的報價以及產品介紹
烜芯微專業制造二極管,三極管,MOS管,橋堆等20年,工廠直銷省20%,4000家電路電器生產企業選用,專業的工程師幫您穩定好每一批產品,如果您有遇到什么需要幫助解決的,可以點擊右邊的工程師,或者點擊銷售經理給您精準的報價以及產品介紹

