TDA2030是Pentawatt®封裝的單片集成電路,旨在用作低頻AB類放大器。通常它在14V /4Ω時提供14W輸出功率(d = 0.5%); 在±14V或28V時,4Ω負載的保證輸出功率為12W,8Ω時的保證輸出功率為8W。本文將TDA2030的引腳功能、參數、應用電路及注意事項。
1.引腳圖及功能
TDA2030A音頻功放電路,常采用V型5腳單列直插式塑料封裝結構。如圖1所示,按引腳的形狀引可分為H型和V型。該集成電路廣泛應用于汽車立體聲收錄音機、中功率音響設備,具有體積小、輸出功率大、失真小等特點,并具有內部保護電路。

圖1 TDA2030引腳圖
引腳功能表

2.功能框圖

圖2 TDA2030功能框圖
3.主要特性
(1)輸出電流大
(2)諧波失真小
(3)具有輸出對地短路保護功能
(4)自動限制功耗,保護輸出晶體管工作在安全工作區
(5)內置過熱保護電路
(6)封裝形式:FZIP5
4.極限參數

5.電氣參數


6.典型功率驅動電路電參數

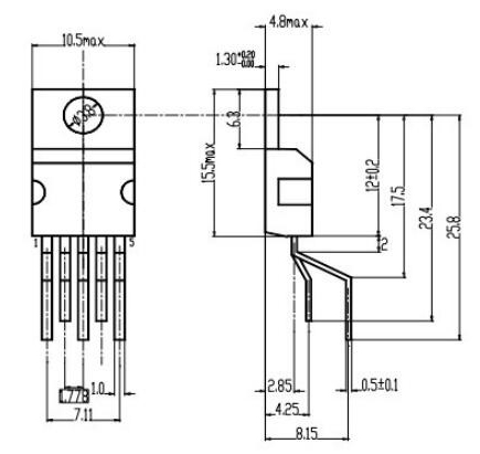
7.外形尺寸

圖3 TDA2030外形尺寸
8.典型應用電路

圖4 TDA2030應用電路1

圖5 TDA2030應用電路2
9.注意事項
(1)TDA2030A具有負載泄放電壓反沖保護電路,如果電源電壓峰值電壓40V的話,那么在5腳與電源之間必須插入LC濾波器,二極管限壓(5腳因為任何原因產生了高壓,一般是喇叭的線圈電感作用,使電壓等于電源的電壓)以保證5腳上的脈沖串維持在規定的幅度內。
(2)與普通電路相比較,加散熱片可以使其有更高的安全系數。萬一結溫超過時,也不會對器件有所損害,如果發生這種情況,Po=(當然還有Ptot)和Io就被減少。
(3)熱保護:限熱保護有以下優點,能夠容易承受輸出的過載(甚至是長時間的),或者環境溫度超過時均起保護作用。
(4)印刷電路板設計時必須較好的考慮地線與輸出的去耦,因為這些線路有大的電流通過。
(5)裝配時散熱片與之間需要絕緣,引線長度應盡可能短,焊接溫度不得超過260℃,12秒。
(6)雖然TDA2030A所需的元件很少,但所選的元件必須是品質有保障的元件。
電話:18923864027(同微信)
QQ:709211280
〈烜芯微/XXW〉專業制造二極管,三極管,MOS管,橋堆等,20年,工廠直銷省20%,上萬家電路電器生產企業選用,專業的工程師幫您穩定好每一批產品,如果您有遇到什么需要幫助解決的,可以直接聯系下方的聯系號碼或加QQ/微信,由我們的銷售經理給您精準的報價以及產品介紹

