當使用固定的電阻限流時,電流大小受V_Cin和V_CL的差影響,安全上電瞬間的電流是最大的,隨后電流按指數曲線逐漸變小。電阻值需要保證安全上電瞬間,最大電流也不會超過設定值I_SET。
隨后的電流就更小于I_SET。這固然安全,但是也會造成電容CL充電過慢,后一級電路得到足夠電壓用時太長。
如果可以把電流始終限制在I_SET以下,可以去掉限流電阻,讓電流保持略小于I_SET,快速充電。
如下圖,電流曲線的積分為V_CL,左右兩圖的陰影面積大小相同,可以看出,電容CL得到相同的電壓時,限流電路充電時間t2明顯小于固定電阻充電時間t1。

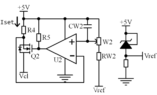
在電源與PMOS之間串聯(lián)一個小電阻R4,就可以得到限流電路:

設R4電阻值為R,流過電阻的電流為I。把比較器的反相輸入端接在R4與PMOS之間,則反相輸入端的電壓:

同相輸入端接設置電壓V_SET。開關閉合瞬間,I非常大,u_N很小,u_P>u_N,PMOS不導通。由于PMOS不導通,所以I幾乎為0,u_N≈V_CC,u_P<u_N,PMOS導通。此時I非常大,u_N很小,u_P>u_N,PMOS不導通。
以此類推,可以看出PMOS在導通與截止狀態(tài)間迅速切換,控制著電流的大小。令u_N=u_P,可得設定電流與參考電壓的關系:

限流軟啟動電路比電阻+并聯(lián)開關軟啟動方案為電容CL充電的速度快,由于R4的存在,也略微增大了穩(wěn)態(tài)時的能量損耗,此電阻的阻值很小,0.2歐姆。
下圖是它的效果波形截圖,黃色是電流采樣電路的輸出,通過公式I=2V可以計算出浪涌電流的大小。藍色是負載電容的電壓。

電流不超過2A,保持在最大值約11mS,然后極速下降。電流在最大值期間,VCL勻速上升。
如下圖是限流軟啟動電路與電阻+并聯(lián)開關軟啟動電路配合使用的效果,用限流的方式代替固定電阻,用電阻+并聯(lián)開關消除電阻上穩(wěn)態(tài)時的能量損耗。

〈烜芯微/XXW〉專業(yè)制造二極管,三極管,MOS管,橋堆等,20年,工廠直銷省20%,上萬家電路電器生產企業(yè)選用,專業(yè)的工程師幫您穩(wěn)定好每一批產品,如果您有遇到什么需要幫助解決的,可以直接聯(lián)系下方的聯(lián)系號碼或加QQ/微信,由我們的銷售經理給您精準的報價以及產品介紹
聯(lián)系號碼:18923864027(同微信)
QQ:709211280

