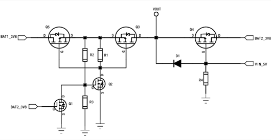
三電源切換電路

電路描述
1、Q1、Q2為NMOS,Q3、Q4和Q5為PMOS管,D1為二極管。
2、BAT1和BAT2為電池,BAT2的容量比BAT1大,VIN_5V為外部電源,VOUT為輸出,給系統供電。
3、VOUT會從優先級高的電源取電,優先用外部電源,其次容量大的電池,最后才是容量較小的電池,優先級排序:VIN_5V > BAT2 > BAT1。
工作原理
1、當只有BAT1時,Q2、Q3和Q5導通,VOUT從BAT1取電。
2、當只有BAT2時,Q1導通,Q2、Q3和Q5截止,Q4導通,VOUT從BAT2取電。
3、當只有VIN_5V時,VIN_5V通過二極管D1到VOUT,VOUT從VIN_5V取電。
4、當BAT2和BAT1同時存在,Q1導通,Q2、Q3和Q5截止,Q4導通,VOUT從BAT2取電。
5、當VIN_5V和BAT2同時存在,Q1導通,Q2、Q3和Q5截止;VIN_5V通過D1到VOUT,BAT2通過Q4的體二極管到VOUT,因為VIN_5V較大,VOUT從VIN_5V取電。
6、當VIN_5V和BAT1同時存在,Q2、Q3和Q5導通,BAT1到VOUT,VIN_5V通過二極管D1到VOUT,因為VIN_5V較大,VOUT從VIN_5V取電。
7、當BAT1、BAT2和VIN_5V同時存在,參考4&5,VOUT從VIN_5V取電。
這個電路可以做到:三電源中任一電源存在,電路即可工作;兩兩電源存在,優先級高電源給系統供電,節省優先級低電源的電量;三電源同時存在,同時節省兩路電池電量;兩兩電源或者三電源同時存在時,優先級高的電源斷電,優先級低的電源會續上。
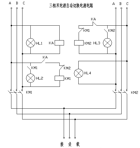
變壓器三相雙電源自動切換電路圖

A,1變有電時候,KA得電吸合,其常開觸點閉合,接觸器km1得電吸合,接通1變,負載使用1變的電,同時KA的常閉觸頭斷開,km2不能夠得電。
B,當1變停電時候,ka失電回位,其常開觸點斷開km1.ka 的常閉觸頭閉合接通接觸器km2得電吸合,1變經過km2進入負載。負載使用2變。
C,這個電路采用了繼電器ka的常開常閉和接觸器km1 km2常開常閉雙互鎖結構,安全可靠。
D,這個電路設計以1變用電為主,要是有加一個手動選擇旋鈕就可以實現手動自動換變。,四個頭三位的旋鈕開關,左旋斷開繼電器ka,右旋斷開km2線圈,中間位置兩邊都是通路。
E,要是把繼電器ka接入A B兩相還可以實現1變的缺相保護。
F,如果在2變加入一個繼電器ka2,線圈接入2變的A B兩線之中,當中與ka1互鎖得電,km2的得電由ka2控制也可以實現2變的缺相保護。
〈烜芯微/XXW〉專業制造二極管,三極管,MOS管,橋堆等,20年,工廠直銷省20%,上萬家電路電器生產企業選用,專業的工程師幫您穩定好每一批產品,如果您有遇到什么需要幫助解決的,可以直接聯系下方的聯系號碼或加QQ/微信,由我們的銷售經理給您精準的報價以及產品介紹
聯系號碼:18923864027(同微信)
QQ:709211280

