說到升壓電路,大部分人第一反應是BOOS升壓電路,今天我們就介紹一下成本更低的電容自舉升壓電路,它一般用于MOS管驅動電路的開啟部分,利用簡單的自舉升壓二極管和自舉電容以及電阻就能實現比電源電壓更高的驅動電壓輸出,極具性價比。如果你對比一下目前主流的MOS管門驅動IC,你會發現這些驅動IC的驅動電壓一般都在10-15V之間,所以該電路在MOS管集成驅動IC中應用廣泛。
二.自舉電容電路的原理以及器件選型
1.原理講解
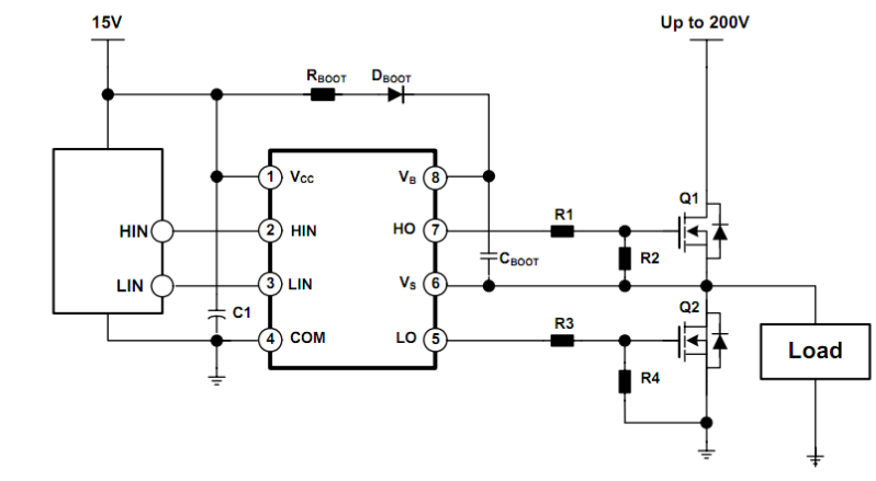
我們以基于IC驅動的半橋開關電路為例,驅動IC內部其實也是半橋輸出拓撲,其工作過程如下:
1.Q1關斷,Q2打開,那么Q2柵極的電壓等于VCC;
2.由于Q2導通,Q1關斷,此時Q1 源極電壓約等于0V,此時VCC電壓通過Rboot→Dboot→Cboot→Q2-GND這樣一個路徑對自舉電容Cboot進行充電;
3.Q2充滿電后,我們把Q2關斷,Q1打開,此時Q1的源極和GND斷開了,相當于浮空,但是我們都知道電容有一個特性就是它兩端的電壓不能突變,所以此時VB處的電壓就約等于200V高壓加上電容兩端的電壓:200+Vc_boot;這么高的電壓如果和15V電壓連通那后果不堪設想,所以自舉二極管Dboot的存在就是防止高壓和15V短路。那么此時的高壓會經過VB→HO→R1→Q1的柵極,這樣就相當于通過自舉電路把Q1柵極的電壓抬高了。


MOS管電容自舉驅動電路

IC內部框圖

IC內部框圖
2.器件選型
1.自舉電容
這個器件充當了H-side MOS管導通的電流源,所以容值要足夠大,經驗值是至少要比MOS管柵極米勒寄生電容大10倍,同時還要考慮電容的直流電壓偏置特性以及溫度對容值的影響,考慮其容值的worse case情況。關于柵極寄生電容我們可以采用下面的公式計算,其中Qg可以在我們選型的MOS管規格書中找到,Vq1g約等于電源電壓減去自舉二極管正向導通壓降,然后把計算出來的Cg乘以10就能評估出需要選型的容值。


當然容值不是越大越好,因為容值過大會導致流經自舉二極管的峰值電流同步增大,推薦使用低ESR和ESL的瓷片電容,電容額定電壓要大于2倍VCC電壓。
2.自舉二極管
為了降低損耗,以及提高反向恢復速度,推薦使用具有低正向導通壓降和低寄生結電容的肖特基二極管。
3.自舉電阻
自舉電阻的作用是限制啟動時流經自舉二極管的電流,這個電阻的選型可要慎重,畢竟電阻加電容那就構成了延時電路,直接決定了我們的電容充電時間,你想啊,如果電阻阻值過大,那自舉電容充不了多少電,從來無法正常驅動MOS,可能連MOS的開啟電壓都達不到,結合自舉電路的開關占空比,我們可以計算出時間常數:


我們需要測試實際電路的啟動時間來調整電阻阻值,進而調整一個合理的啟動時間,Duty cycle指的是自舉電路工作的占空比,這個參數在對應的IC規格書中也能找得到,那么什么叫合理的啟動時間呢?說白了就是在自舉電路給電容充電的時間內,我們使用到電阻阻值要能使電容兩端電壓達到我們的設定電壓值。其次說到底電阻是為了限流,所以電阻功率得夠,電阻承受得由于電容充電帶來的能量沖擊計算如下:


充電時間計算如下:(這么計算的原因是RC是時間常數,一般3-5RC就基本能把電容充滿電)


有了能量,有了時間,那么電阻得功率就等于:P=E/t,輕松得到了。
〈烜芯微/XXW〉專業制造二極管,三極管,MOS管,橋堆等,20年,工廠直銷省20%,上萬家電路電器生產企業選用,專業的工程師幫您穩定好每一批產品,如果您有遇到什么需要幫助解決的,可以直接聯系下方的聯系號碼或加QQ/微信,由我們的銷售經理給您精準的報價以及產品介紹
聯系號碼:18923864027(同微信)
QQ:709211280

