通用MCU或DSP的IO電壓通常是5V3.3V,IO的電流輸出能力在20MA以下,不足以直接驅動功率MOSFET。所以使用通用MCU或DSP來設計電機驅動器時,通常需要搭配外部的MOSFET驅動器,我們稱之為“預驅”。相關文章:MOS管驅動電路設計細節。在設計汽車風機、水泵、油泵等電機驅動控制器時,使用車規MCU+車規預驅+車規N溝道功率MOSFET,可以適配不同功率、各種通信方式和各種驅動方式。
控制器中的功率MOS驅動


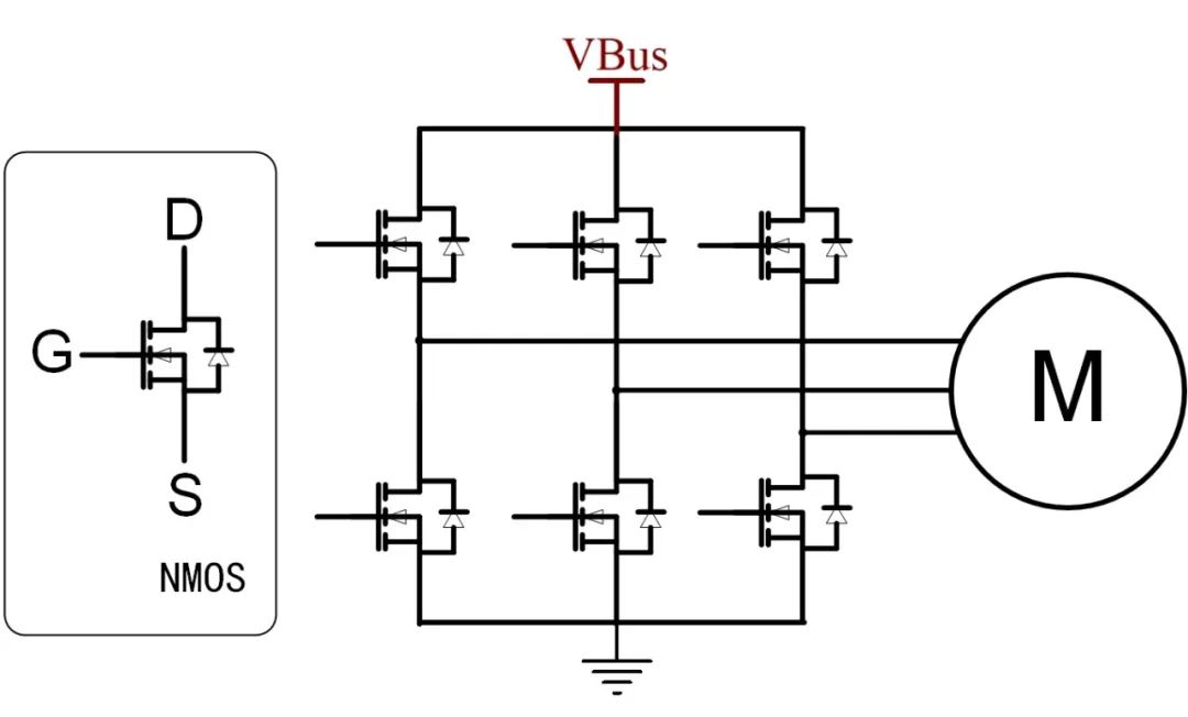
如上圖直流無刷電機驅動電路,三相直流無刷電機(包括BLDC和PMSM)功率級驅動電路使用6個N溝道功率MOS構成三相全橋,分為三個連接到電源正極(VBus)的高邊MOS和三個連接到電源負極的低邊MOS。
控制器通過控制六個MOS的通斷,完成換相,使電機按照預期轉動。相關文章:介紹H橋電機驅動電路。電機在運轉過程中可能會遇到堵轉而導致過流,因此MOS驅動電路需要具有保護功能,以防止燒壞控制器或電機。
對于單個NMOS來說,在開通時,需要提供瞬間大電流向MOS內的寄生電容充電,柵源電壓(VGS)達到一定閾值后,MOS才能完全開通。在MOS開通后,還需要維持合適的柵源電壓(VGS),才可以保持開通狀態。相關文章:MOS管驅動電路有幾種,看完就明白了。
對于低邊MOS,其源極(S)接到電源負極,柵源電壓容易滿足,驅動較簡單。
對于高邊MOS,其源極(S)接到電機相線,其電壓是不確定的,如果需要開通,需要通過自舉電路提供柵極電壓,驅動較復雜。


上圖是VGS與RDSON的關系圖,一般情況下,MOS的導通內阻都如上圖所示,隨著VGS的增大而降低,但VGS大于10V之后,下降曲線變得平緩。為了達到最小的導通電阻(RDSON),VGS的取值通常為10~15V。
〈烜芯微/XXW〉專業制造二極管,三極管,MOS管,橋堆等,20年,工廠直銷省20%,上萬家電路電器生產企業選用,專業的工程師幫您穩定好每一批產品,如果您有遇到什么需要幫助解決的,可以直接聯系下方的聯系號碼或加QQ/微信,由我們的銷售經理給您精準的報價以及產品介紹
聯系號碼:18923864027(同微信)
QQ:709211280

