
傳真:
18923864027
QQ:
709211280
地址:
深圳市福田區振中路84號愛華科研樓7層
怎么控制電路中的浪涌電流與過電壓浪涌(Surge)也叫尖峰(Spike) ,是電路在遭受雷擊、接通、斷開感性負載或大型負載時產生的超出正常工
三極管與場效應管下拉電阻的作用介紹關于三極管簡單講解一下三極管,如果三極管工作在飽和區(完全導通),Rce≈0,Vce≈0 3V,
場效應MOS管電源開關電路的缺點解析MOS管因為其導通內阻低,開關速度快,因此被廣泛應用在開關電源上。而用好一個MOS管,其驅動電路的設計
三極管開關速度的方法詳解晶體三極管是控制電流的半導體器件,工作原理是通過在三極管的兩端施加合適電壓來控制三極管另一端的電流,主要作
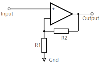
運算和同相放大器電路設計技巧解析本文詳細介紹了如何設計運算放大器、運算放大器同相放大器電路,包括方程式、設計細節、電路、計算和設計
MOS管場效應管漏極導通特性解析MOS場效應管,即金屬氧化物半導體場效應管,有以下幾種常見的類型:1 N溝道MOSFET(N-Channel MOSFET):
電源過壓保護電路的作用和特性詳解過壓保護電路的作用是保護電器設備免受電源電壓超過額定范圍的損害。當電源電壓超過設定的閾值時,過壓保
穩壓管反向擊穿電路圖文介紹穩壓管是眾多二極管里面非常特殊的一種二極管,它的特殊之處是它的正常工作狀態是處于反向擊穿的狀態,反向擊穿
用場效應管進行過流保護的電路圖解析使用 MOSFET 進行過流保護 – 電路原理圖電子電路必須具有過流保護,以防止大電流造成損害。
場效應管短路保護電路的原理應用詳解MOS管,也叫金屬氧化物半導體場效應管,是一種常見的半導體器件,其主要作用是控制電路中的電流。但是
偏置電路中的偏置電阻作用介紹晶體管構成的放大器要做到不失真地將信號電壓放大,就必須保證晶體管的發射結正偏、集電結反偏。即應該設置它
運算放大器電路圖應用解析放大器是能把輸入訊號的電壓或功率放大的裝置,由電子管或晶體管、電源變壓器和其他電器元件組成,用在通訊、廣播