
傳真:
18923864027
QQ:
709211280
地址:
深圳市福田區振中路84號愛華科研樓7層
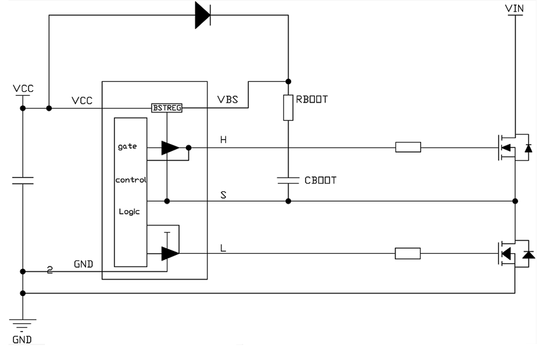
有效導通關斷NMOS管的竅門介紹開關電源作為電子產品的心臟,發揮著提供動力的作用。今天讓我們一起來認識下有效導通關斷NMOS管的竅門。NMOS
單片機對兩位共陽數碼管的驅動設計介紹數碼管有共陰和共陽的區分,單片機都可以進行驅動,但是驅動的方法卻不同,并且相應的0~9的顯示代碼
穩壓二極管伏安特性詳解穩壓管也是一種晶體二極管,它是利用PN結的擊穿區具有穩定電壓的特性來工作的。穩壓管在穩壓設備和一些電子電路中獲
開關電源雙極性開關管的選擇介紹所謂雙極性,是指有兩個PN結的普通開關三極管,在彩顯中一般作為開關電源、行輸出級和S校正電路的切換開關
瞬態抑制二極管(TVS)的工作原理介紹TVS主要防止電子設備受到雷電、整機開關、電磁脈沖和靜電放電造成的瞬態電壓和浪涌。最主要的還是整機開
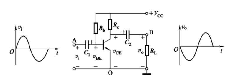
晶體管的結構,類型與電流放大作用介紹晶體三極管又稱晶體管、雙極型晶體管;在晶體管中有兩類不同的載流子參與導電。一、晶體管的結構和類
TVS二極管的PCB布局技巧介紹對于工程師來說,浪涌保護不僅僅是選擇合適的電源板或者拔下幾根電纜,主要涉及在PCB 布局中放置瞬態保護組件
三極管電路的反饋類型的判斷方法介紹對于三極管電路的反饋類型的判斷,往往讓人感到有點困難。下面給出一種常用的判斷方法:一:電壓反饋還
適用于電源系統應用特性和規格的二極管介紹電源系統應用中的二極管多用于整流。例如,在電源電路中被用于輸出的整流用肖特基勢壘二極管和快
ESD保護二極管原理解析ESD保護二極管被安置在信號線和地線(GND)之間,其角色是維護受保護設備(DUP)不受電壓尖峰的干擾。在正常的工作狀
快速恢復二極管的特征解析快速恢復二極管(Fast Recovery Diode,FRD)是一種專為高速切換應用設計的二極管,其特點是具有較短的反向恢復
PN結的反向擊穿電壓是多少,二極管三極管與穩壓管一樣嗎PN結的反向擊穿電壓PN結是一種基本的半導體元件,在電子學中應用廣泛。PN結的主要特