耦合是指兩個或兩個以上的電路元件或電路網絡的輸入與輸出之間存在緊密配合與相互影響,并通過相互作用從一側向另一側傳輸能量的現象。耦合電路就是指參與耦合過程的電路。
從電路來說,總是可以區分為驅動的源和被驅動的負載。如果負載電容比較大,驅動電路要把電容充電、放電,才能完成信號的跳變,在上升沿比較陡峭的時候,電流比較大,這樣驅動的電流就會吸收很大的電源電流,由于電路中的電感,電阻(特別是芯片管腳上的電感,會產生反彈),這種電流相對于正常情況來說實際上就是一種噪聲,會影響前級的正常工作,這就是耦合。

以下為您分別介紹幾種耦合電路:
一級:組成多級放大電路的每一個基本放大電路稱為一級。
級間耦合:級與級之間的連接稱為級間耦合。
多級放大電路的耦合方式:直接耦合、阻容耦合、變壓器耦合和光電耦合。
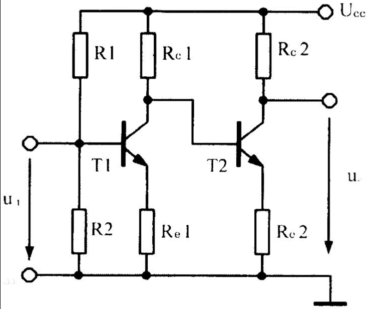
1、直接耦合:將前一級的輸出端直接連接到后一級的輸入端。
直接耦合方式的缺點:采用直接耦合方式使各級之間的直流通路相連,因而靜態工作點相互影響。有零點漂移現象。
直接耦合方式的優點:具有良好的低頻特性,可以放大變化緩慢的信號;由于電路中沒有大容量電容,易于將全部電路集成在一片硅片上,構成集成電路。
2、阻容耦合方式:將放大電路的前級輸出端通過電容接到后級輸入端,稱為阻容耦合方式。
直流分析:由于電容對直流量的電抗為無窮大,因而阻容耦合放大電路各級之間的直流通路不相通,各級的靜態工作點相互獨立。
交流分析:只要輸入信號頻率較高,耦合電容容量較大,前級的輸出信號可幾乎沒有衰減地傳遞到后級的輸入端。因此,在分立元件電路中阻容耦合方式得到非常廣泛的應用。
阻容耦合電路的缺點:首先,不適合傳送緩慢變化的信號,當緩慢變化的信號通過電容時,將嚴重被衰減,由于電容有“隔直”作用,因此直流成分的變化不能通過電容。更重要的是,由于集成電路工藝很難制造大容量的電容,因此,阻容耦合方式在集成放大電路中無法采用。
3、變壓器耦合:將放大電路前級的輸出端通過變壓器接到后級的輸入端或負載電阻上,稱為變壓器耦合。
電路缺點:它的低頻特性差,不能放大變化緩慢的信號,且非常笨重,不能集成化。
電路優點是可以實現阻抗變換,因而在分立元件功率放大電路中得到廣泛應用。變壓器耦合電路的前后級靠磁路耦合,它的各級放大電路的靜態工作點相互獨立。
4、光電耦合器:是實現光電耦合的基本器件,它將發光元件(發光二極管)與光敏元件(光電三極管)相互絕緣地組合在一起。
工作原理:發光元件為輸入回路,它將電能轉換成光能;光敏元件為輸出回路,它將光能再轉換成電能,實現了兩部分電路的電氣隔離,從而可有效地抑制電干擾。
傳輸比 CTR:在 c-e 之間電壓一定的情況下,iC 的變化量與 iD 的變化量之比稱為傳輸比 CTR,即 CTR 的數值只有 0.1~1.5。
烜芯微專業制造二極管,三極管,MOS管,橋堆等20年,工廠直銷省20%,4000家電路電器生產企業選用,專業的工程師幫您穩定好每一批產品,如果您有遇到什么需要幫助解決的,可以點擊右邊的工程師,或者點擊銷售經理給您精準的報價以及產品介紹
烜芯微專業制造二極管,三極管,MOS管,橋堆等20年,工廠直銷省20%,4000家電路電器生產企業選用,專業的工程師幫您穩定好每一批產品,如果您有遇到什么需要幫助解決的,可以點擊右邊的工程師,或者點擊銷售經理給您精準的報價以及產品介紹

