移動電源,它主要由三大核心部分構成:電芯、電路板以及外殼,而鋰離子電池憑借其高能量密度等優勢,成為當下移動電源普遍采用的能量存儲介質。深入探究其內部構造,會發現鋰電池內部配備了一塊專門的保護性 PCB(印刷電路板)板,與電池單元緊密結合封裝在一起。該保護性 PCB 板發揮著至關重要的作用,能夠精準調控鋰電池的輸出電壓,確保其始終處于安全電壓區間內,也就是嚴格把控電池的充放電終止電壓和截止電壓,以此保障鋰電池的穩定運行與使用壽命。


一、MOS 管在移動電源電池保護系統中的關鍵應用
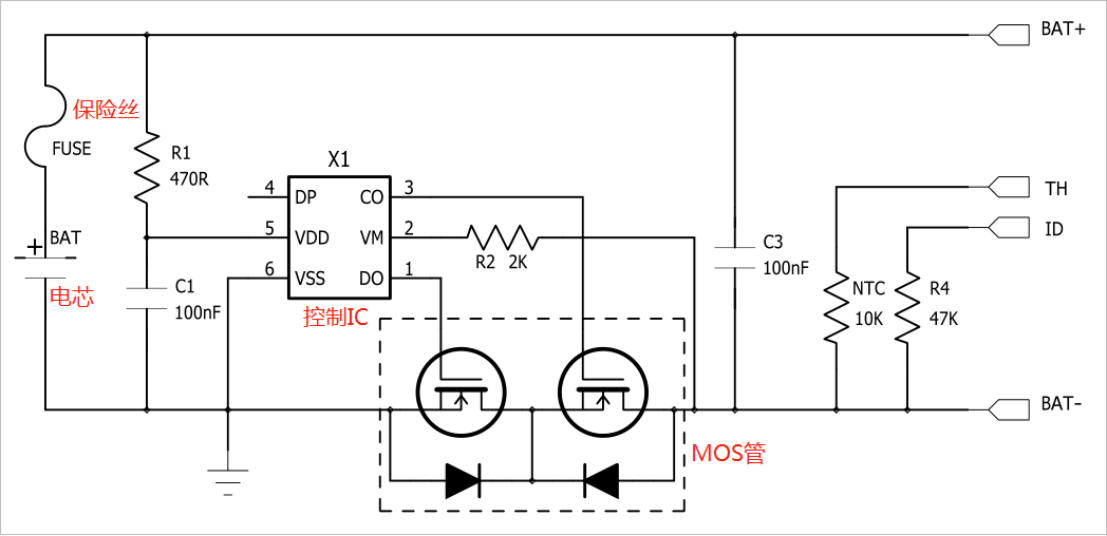
移動電源的電池保護系統構造精巧且復雜,其主要構成要素包括控制 IC(集成電路)、MOS 開關管以及各類輔助元件。控制 IC 內置有高精度的電壓和電流檢測電路,能夠實時監測電池的電壓和電流變化情況。MOS 開關管則與控制 IC 協同工作,充當執行元件的角色,依據控制 IC 發出的指令,精準控制電路的通斷,實現對電路狀態的有效調節。輔助元件涵蓋了電阻、電容、熔斷保險絲等多種類型,它們與前兩者緊密配合,共同完成復雜的電池保護功能。目前,移動電源的電池保護功能主要涵蓋過充電保護、過放電保護、過電流保護、短路保護以及過溫保護等多個方面。MOS 管憑借其獨特的電壓控制特性,在這一過程中發揮著至關重要的作用。它與控制 IC 相互協作,實時監測電池電壓的升降變化以及電流是否出現過流狀況。一旦監測到異常情況,MOS 管便迅速響應控制 IC 的信號,通過通斷電路的操作,及時切斷故障電路,從而實現對電池的有效保護,避免電池因異常狀況而受損,確保移動電源的安全使用。


以過充電保護為例,當電池接近充滿狀態時,控制 IC 會精準檢測到電池的電壓值。一旦電壓達到預先設定的閾值,控制 IC 便會立即發出信號,指令 MOS 管停止導通,實現截止狀態。在實際電路設計中,MOS 管通常被串聯在充電回路之中,或者作為充電開關來運用,以此精準控制充電過程,防止電池因過充電而引發的安全隱患。
〈烜芯微/XXW〉專業制造二極管,三極管,MOS管,橋堆等,20年,工廠直銷省20%,上萬家電路電器生產企業選用,專業的工程師幫您穩定好每一批產品,如果您有遇到什么需要幫助解決的,可以直接聯系下方的聯系號碼或加QQ/微信,由我們的銷售經理給您精準的報價以及產品介紹
MOS管選型
為了實現過充保護的功能,選擇MOS管需要多方面考慮。首先需要考慮封裝大小,需要是配合內部布局;其次考慮其耐壓能力、導通電阻、開關速度等參數。不同類型的MOS管的應用場景不同。比如較為常用的NMOS用在高頻應用,而PMOS通常用在低端的開關,而在選擇MOS管類型,除了考慮以上的重要參數外,還要考慮應用場景和成本因素。
推薦以下級款型號

聯系號碼:18923864027(同微信)
QQ:709211280

