一、整流器:交流到直流的轉換器
(一)整流器的功能與應用
整流器是一種將交流電(AC)轉換為直流電(DC)的設備。其核心功能在于利用半導體器件的單向導電特性,使電流僅能沿一個方向流動,從而實現交流到直流的轉換。整流器廣泛應用于各類供電裝置、蓄電池充電以及無線電信號偵測等場景。例如,在汽車發電機中,整流器將產生的交流電轉換為直流電,為車載電池充電并供車載設備使用。
(二)常見整流器類型
二極管整流橋 :這是一種應用廣泛的整流器類型,由四個二極管組成橋式電路。它能夠將交流電轉換為脈動直流電,再通過電容器等濾波元件平滑波形,得到較為穩定的直流輸出。
晶閘管整流橋 :與二極管整流橋類似,但使用晶閘管作為整流元件。晶閘管可在一定程度上控制導通時刻,從而實現對輸出直流電壓的調節。
(三)整流過程詳解
整流器的工作原理基于半導體器件的單向導電性。以二極管整流橋為例,當交流電輸入時,二極管在正半周期間導通,電流通過二極管流向負載;在負半周時,另兩個二極管導通,電流方向保持不變。這樣,交流電就被轉換為方向不變但大小變化的脈動直流電。隨后,濾波電路對脈動直流電進行平滑處理,得到較為穩定的直流電輸出。
二、逆變器:直流到交流的轉換器
(一)逆變器的功能與應用
逆變器的作用與整流器相反,它將直流電(DC)轉換為交流電(AC)。在許多現代電力系統中,逆變器是不可或缺的組件。例如,在太陽能發電系統中,太陽能電池板產生的直流電需要通過逆變器轉換為交流電,才能供家庭和工業設備使用。同樣,不間斷電源(UPS)也依賴逆變器在市電中斷時將蓄電池的直流電轉換為交流電,以維持設備的正常運行。
(二)逆變器的工作原理
逆變器通過控制功率開關器件(如絕緣柵雙極型晶體管(IGBT)和金屬氧化物半導體場效應晶體管(MOSFET))的通斷來生成交流電壓。這些開關器件以高頻開關的方式工作,通過精確控制其開關順序和占空比,可以合成所需頻率和幅值的交流電。逆變器的電路通常較為復雜,需要具備精確的控制和驅動電路來確保輸出交流電的質量和穩定性。


三、整流器與逆變器的主要區別
(一)功能與能量轉換方向
整流器和逆變器最本質的區別在于它們實現的能量轉換方向。整流器將交流電轉換為直流電,而逆變器則將直流電轉換為交流電。這種轉換方向的差異決定了它們在不同應用場景中的獨特作用。
(二)工作原理差異
整流器的工作原理相對簡單,主要依賴半導體器件的單向導電性。通過允許電流僅沿一個方向流動,并結合濾波電路平滑波形,整流器能夠實現交流到直流的轉換。而逆變器的工作原理則更為復雜,需要通過高頻開關技術和脈寬調制(PWM)等方法來生成高質量的交流電。逆變器的輸出交流電的頻率、幅值和波形等因素都需要通過精確的控制算法進行調節。
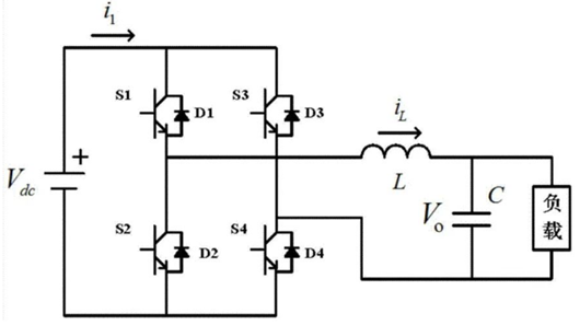
四、全橋逆變電路
全橋逆變電路是一種常見的逆變器拓撲結構,由四個開關器件(如 MOSFET)組成兩個橋臂。在工作過程中,同一橋臂的兩個開關器件不能同時導通,而是采用對邊橋臂導通的方式。這種結構能夠產生較高的輸出功率和較好的電能質量,適用于多種對電力品質要求較高的應用場景。

〈烜芯微/XXW〉專業制造二極管,三極管,MOS管,橋堆等,20年,工廠直銷省20%,上萬家電路電器生產企業選用,專業的工程師幫您穩定好每一批產品,如果您有遇到什么需要幫助解決的,可以直接聯系下方的聯系號碼或加QQ/微信,由我們的銷售經理給您精準的報價以及產品介紹

〈烜芯微/XXW〉專業制造二極管,三極管,MOS管,橋堆等,20年,工廠直銷省20%,上萬家電路電器生產企業選用,專業的工程師幫您穩定好每一批產品,如果您有遇到什么需要幫助解決的,可以直接聯系下方的聯系號碼或加QQ/微信,由我們的銷售經理給您精準的報價以及產品介紹
聯系號碼:18923864027(同微信)
QQ:709211280

